Skip to content
WriteLog Contesting Software
Contest logging software for winning CW, SSB, and RTTY
Primary Menu
Product Info
WriteLog Functions
SO2R Support
Contests Supported
System Requirements
Technical
Ordering
Downloads
Demo Version
WriteLog Versions
Contest Super Simulator
DigiRite
Third Party
Prefill Files
Sound Board Check
Programmer Resources
Archived
Support
WAV file transmission
Remove Registry Entries
DockScreen cleanup
Force Crash Dump
Sound Board Setup
W5XD Multi-Keyer
Multi-Operator Support
Web Log Review
Contact us
Notes
Version Notes
Revision History-Version 12
Version 11 Installation Notes
Revision History-Version 11
Revision History-Version 10
Revision History-Version 9
Rig Drivers
About Registration Codes
Gpg4win Tutorial
About PGP Sigs
Blogs
Remote Control
FlexRadio Rig Driver
Band Map SDR
Contest Super Simulator
Sound Board
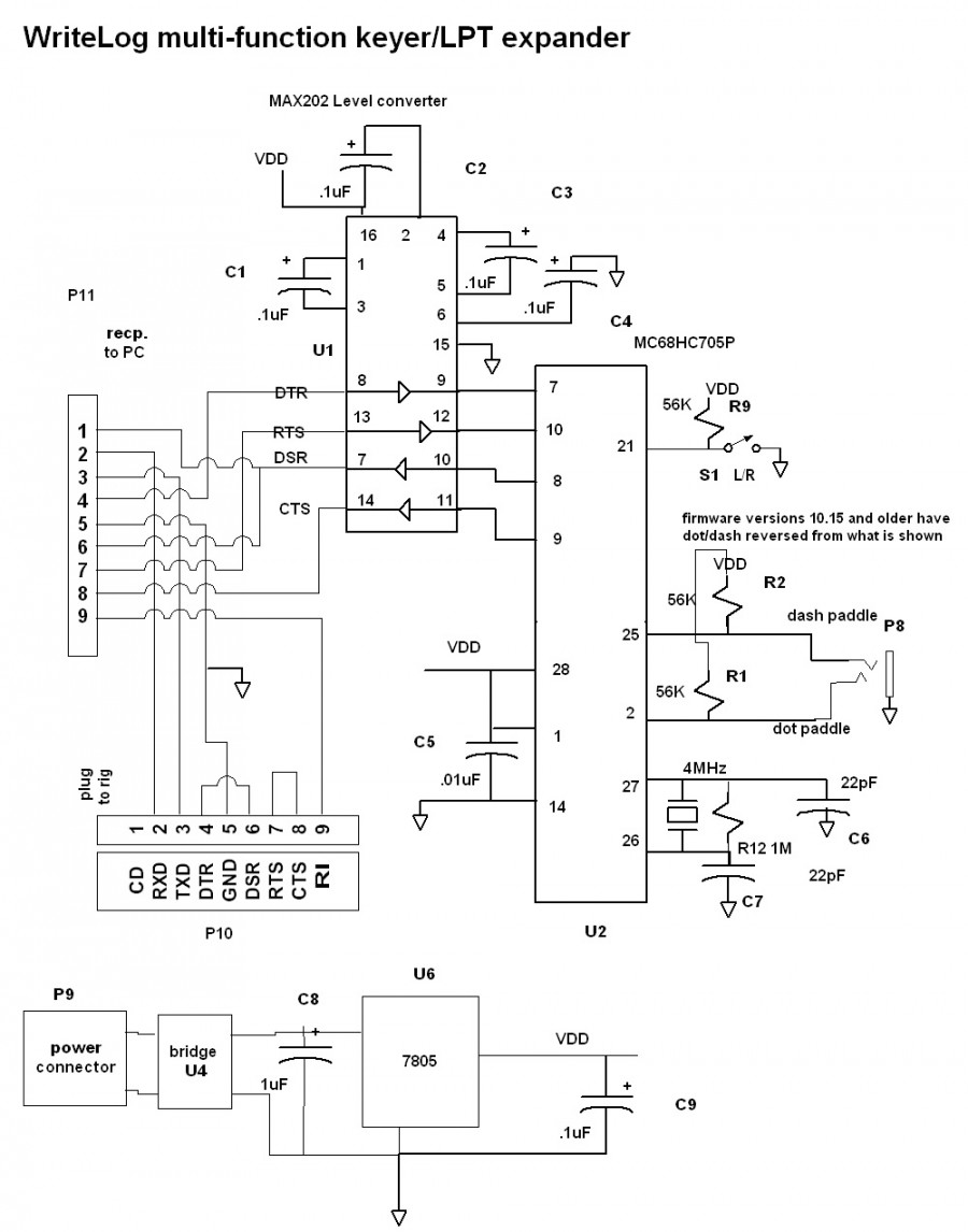
CIRCUIT-1